Pyromation产品
Pyromation Products

首页d5Pyromation产品d5温度计套管
Pyromation于1962年开始运营,是北美领先的热电偶、RTD、PT100和热电偶套管制造商之一。作为一家ISO 9001注册公司、先进制造公司和精益企业,拥有一个经NVLAP认证的现场计量实验室,总部位于印第安纳州韦恩堡。
Pyromation产品系列-温度计套管  
 
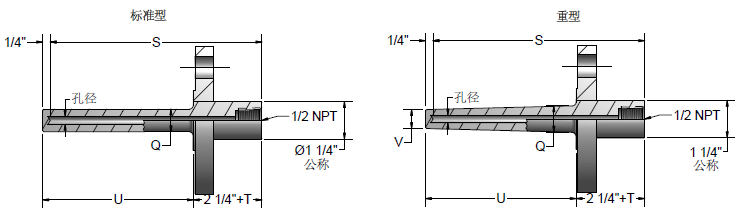
钻孔热电偶套管-TW01
  下面列出的钻孔热电偶套管是工艺应用中最常见的热电偶套管。本节后面将列出其他类型和样式。下面列出的热电偶套管作为单独的组件套管提供,可按下面列出的代码订购。它们也可以作为完整传感器组件的一部分订购。对于安装螺纹、长度和材料不同的井,请咨询工厂。
Pryo-010
TW01选型参数:
1-0 1-1 1-2 1-3 1-4 1-5 1-6
S 4 D 06 08 T2 S
1-0 套管类型
代码 描述
S 标准螺纹(NPT)
H 重型螺纹(NPT)
SW 承插焊直柄
WI 焊接
1-2 管尺寸"P"
代码 描述
C 1/2"管径[1]
D 3/4"管径
E 1"管径
[1] 仅适用于S型或H型套管
1-3 长度尺寸(Inches)
代码 "S"尺寸 "U"尺寸
无隔离层 标准隔离层
04 4" 2(1/2) N/A
06 6" 4(1/2) 2(1/2)
09 9" 7(1/2) 4(1/2)
12 12" 10(1/2) 7(1/2)
15 15" 13(1/2) 10(1/2)
18 18" 16(1/2) 13(1/2)
24 24" 22(1/2) 19(1/2)
1-1 孔尺寸
代码 描述
4 0.260"孔径
1-4 材质
代码 描述
08 304SS
09 316SS
1-5  可选的“T”隔离层尺寸
代码 描述
如果不需要隔离层,请留空
T2 在6"套管上2"标准隔离层。
T3 在9、12、15、18、24"套管上3"标准隔离层。
T__ 特殊滞后指定“T”尺寸,单位为英寸
1-5  套管选项
代码 描述
C8 316不锈钢井盖和链条
C22 黄铜井盖和链条
S 热电偶套管上标记的客户指定零件号(最多10位)
法兰式套管-TW02
 

本页所述的法兰热电偶套管是大多数工艺应用中常见的热电偶套管。这些井作为标准井或重型井提供,带有凸面法兰。本节后面将列出其他类型和样式。对于法兰侧面、长度和材料不同的油井,请咨询工厂。

Pryo-011
TW02选型参数:
1-0 1-1 1-2 1-3 1-4 1-5 1-6 1-7 1-8
SF 4 15 R 3 12 08 T2 C8
1-0 套管类型
代码 描述
SF 标准法兰
HF 重型法兰
1-1 孔尺寸
代码 描述
4 0.260"孔径
1-2 法兰尺寸
代码 描述
10 1"
15 1-1/2"
20 2"
1-5 套管长度(Inches)
代码 描述
"S"尺寸 "U"尺寸
06 6 4
09 9 7
12 12 10
15 15 13
18 18 16
24 24 22
1-3 法兰类型
代码 描述
R RF面
1-4 压力等级
代码 描述
1 150#
3 300#
1-6 套管材质
代码 描述
08 304SS
09 316SS
1-7  可选的“T”隔离层尺寸
代码 描述
如果不需要隔离层,请留空
T__ 特殊滞后指定“T”尺寸,单位为英寸
1-8  套管选项
代码 描述
CODE DESCRIPTION
C8 316不锈钢井盖和链条
C22 黄铜井盖和链条
S 热电偶套管上标记的客户指定零件号(最多10位)
组合保护套管-TW03
  组合保护套管是用于低温、低压和低流速应用的小直径通用井。组合保护套管是通过在管道上焊接或钎焊套管来建造的。所有不锈钢结构的组合保护套管都焊接在套管上。带有黄铜衬套的组合保护井已钎焊在衬套上。
Pryo-012
TW03选型参数:
  1 2 3
26 48 06 803
1 套管尺寸及材质
代码 管(Inches) 材质
O.D. I.D.
48 0.250 x 0.194 316SS
58 0.313 x 0.255 316SS
68 0.375 x 0.277 316SS
98 0.500 x 0.260 316SS
Z 特殊尺寸,咨询工厂。
3 安装衬套材料-尺寸
代码 衬套螺纹 (inches) 衬套 'B'尺寸(inches)
黄铜 316 SS 外部 内部
2201[1] 801[1] 1/4 1/8 3/4
2202 802 3/8 1/8 3/4
2203 803 3/8 1/4 3/4
2204 804 1/2 1/8 15/16
2205 805 1/2 1/4 15/16
2206 806 1/2 3/8 15/16
2207 807 1/2 1/2 1 1/2
2208 808 3/4 1/8 1
2209 809 3/4 1/4 1
2210 810 3/4 3/8 1
2211 811 3/4 1/2 1
[1] 不适用于外径为1/2“的套管。
2 套管'U'尺寸
插入(2)位“U”长度,单位为英寸。示例:06=6“U尺寸。02(1/2)=2(1/2)”)U尺寸。
 
 
  地址:上海市宝山区电台路568弄6号302室 86 13661700928 工作时间:09:00—17:30 zht2002cn@126.com
版权所有: 上海海途贸易有限公司 Copyright © 2012 haitu-sh.cn all rights reserved. 沪ICP备12021448号-1