US valve阀门产品
US valve Products

首页d5US valve阀门产品d5Techno BVL碟阀
US Valve是新泽西州的一家公司,总部位于新泽西州,生产基地位于美国马里兰州、欧洲和亚洲。我们的主要关注点是止回阀,我们的根基是低压降设计。我们的应用工程师可以帮助您为您的应用选择正确的阀门。
US valve及TECHNO阀门系列
Techno BVL碟阀
 
 
Techno BVL碟阀
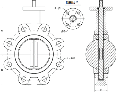
D4 设计特点

 

D2 BVL型弹性阀座蝶阀有丁腈橡胶、三元乙丙橡胶和氟橡胶®配置。
D2 全衬里弹性体阀座将工艺介质与球墨铸铁阀体完全隔离。
D2 所有内部支撑硬件,包括阀盘、支架和支架,均由耐腐蚀不锈钢制成。
D2 2英寸至24英寸的阀体尺寸,150级。
D2 凸耳式阀体设计包括ISO 5211安装垫,适用于国际标准手动和自动操作员。
D2 弹性体U形杯密封填料压盖和PTFE轴套提供了优良的泄漏保护。
D2 所有TECHNO蝶阀均按照API609进行设计,并按照API598进行测试。

D4 Techno BVL碟阀尺寸表
usvalve-029 usvalve-030
D4 Techno BVL碟阀选型参数
usvalve-031
尺寸
2"至24"
类型
BVL
阀体材质
DI – 球墨铸铁, ASTM A395 Gr. 60-40-18
阀板材质
34 – 304SS, ASTM A351 Gr. CF8M
NP – 镀镍球墨铸铁, ASTM 536
密封件及操作温度
B-丁腈橡胶 -70° F to 250° F
U-三元乙丙橡胶 0° F to 300° F
V-氟橡胶® -40° F to 4000° F
压力等级
A15 – ASME 150等级
操作方式
LO–十位操纵杆手柄
GO–齿轮操作手轮
阀体样式
LG–螺纹凸耳体
 
 
  地址:上海市宝山区电台路568弄6号302室 86 13661700928 工作时间:09:00—17:30 zht2002cn@126.com
版权所有: 上海海途贸易有限公司 Copyright © 2012 haitu-sh.cn all rights reserved. 沪ICP备12021448号-1